Mô tả sản phẩm
Túi khí cao su hạng nặng Túi khí hàng hải có kích thước tùy chỉnh để hạ thủy tàu
Giới thiệu Túi khí cao su nâng hạ tàu ballon tàu hạ cánh
Túi khí cao su hạ cánh tàu, còn được gọi là túi khí hàng hải, túi khí cập cảng, bong bóng hạ cánh tàu và túi khí Mary, hiện đã trở thành một cách thuận tiện để hạ thủy tàu ở một số nhà máy đóng tàu, đặc biệt là những nơi không có đường trượt.Hiện nay, nó được sử dụng rộng rãi trong hạ thủy tàu, xử lý vật nặng và cứu hộ dưới nước.




Thông tin chi tiết sản phẩm

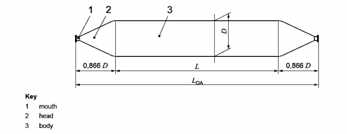
Một số kích thước bình thường của Túi khí cao su hàng hải của chúng tôi, kích thước tùy chỉnh cũng có sẵn
|
Đường kính (m)
|
Chiều dài hiệu dụng (m)
|
Lớp
|
Áp suất (MPa)
|
|
1,0
|
10
|
5 ~ 6
|
0,07 ~ 0,10
|
|
1,0
|
12
|
5 ~ 6
|
0,07 ~ 0,10
|
|
1,0
|
15
|
5 ~ 6
|
0,07 ~ 0,10
|
|
1,2
|
10
|
5 ~ 6
|
0,08 ~ 0,12
|
|
1,2
|
12
|
5 ~ 6
|
0,08 ~ 0,12
|
|
1,2
|
15
|
5 ~ 6
|
0,08 ~ 0,12
|
|
1,5
|
12
|
5 ~ 8
|
0,08 ~ 0,16
|
|
1,5
|
15
|
5 ~ 8
|
0,08 ~ 0,16
|
|
1,5
|
18
|
5 ~ 8
|
0,08 ~ 0,16
|
|
1,5
|
20
|
4 ~ 8
|
0,08 ~ 0,16
|
|
1,5
|
24
|
5 ~ 8
|
0,08 ~ 0,16
|
|
1,8
|
12
|
5 ~ 8
|
0,08 ~ 0,15
|
|
1,8
|
15
|
5 ~ 8
|
0,08 ~ 0,15
|
|
1,8
|
18
|
5 ~ 8
|
0,08 ~ 0,15
|
|
1,8
|
20
|
5 ~ 8
|
0,08 ~ 0,15
|
|
1,8
|
24
|
5 ~ 8
|
0,08 ~ 0,15
|
|
2.0
|
18
|
6 ~ 10
|
0,08 ~ 0,18
|
|
2.0
|
20
|
6 ~ 10
|
0,08 ~ 0,18
|
|
2.0
|
24
|
6 ~ 10
|
0,08 ~ 0,18
|
|
2,5
|
18
|
7 ~ 10
|
0,07 ~ 0,13
|
|
2,5
|
20
|
7 ~ 10
|
0,07 ~ 0,13
|
|
2,5
|
24
|
7 ~ 10
|
0,07 ~ 0,13
|
Cấu tạo của túi khí cao su hạ cánh tàu
1) Lớp cao su bên ngoài
Lớp cao su bên ngoài bao bọc bên ngoài túi khí hàng hải để bảo vệ các lớp bên dưới khỏi mài mòn và các tác động ngoại lực khác.Hợp chất này có đủ độ bền kéo và xé để chịu được mọi điều kiện và sử dụng khó khăn.
2) Lớp cao su bên trong
Lớp cao su bên trong bịt kín không khí có áp suất bên trong các túi khí hàng hải.
3) Lớp tổng hợp-lốp-dây làm gia cố
Các lớp dây gia cường, được làm bằng dây tổng hợp thường được sử dụng trong lốp xe, được bố trí ở các góc lý tưởng để giữ áp suất bên trong và phân phối ứng suất đồng đều.Vì vậy, chúng có thể cung cấp sự gia cố hiệu quả mạnh mẽ.
Túi khí nóng hơn được sản xuất vớikỹ thuật xoắn tích phân độc đáo.Độ dày thành túi khí đồng nhất với đường nối thứ cấp trong mối nối chồng lên nhau.Khi lăn trên đường dốc và đường tàu không bằng phẳng, túi khí linh hoạt rất hữu ích để giảm căng thẳng kết cấu và rủi ro hạ thủy tàu.
Hiện tượng biến dạng nặng sẽ gây ra sự tách lớp giữa các lớp túi khí, sau đó gây ra nhiều tai nạn nghiêm trọng hơn.
Hiện tượng méo mó nguy hiểm như vậy trong quá trình hạ thủy tàu chưa từng xảy ra với Túi khí hàng hải Henger


Các tính năng của túi khí cao su để cập tàu khô
1. Công suất mang lớn
2. Công suất cao chống nén và xoắn
3. Thiết kế mới của kết cấu chống vỡ ở cuối
4. Bố cục cấu trúc tối ưu
5. Khả năng chống lão hóa bền và đặc tính chống mài mòn
6. Khả năng giảm chấn và độ bùi cao hơn.